Weiteres Bild meldenMelde das anstößige Bild. Die Abluft ist vollständig zu erfassen und ohne Gefahr für die Ver- sicherten zu beseitigen. Durchführungsanweisung zu § Abs.

Hier eine kurze Doku über meine Selbstbaulackierkabine, für kleinere Teile, welche in die Kabine passen. Es ist uns möglich genau auf Ihre Wünsche . Die Abluft braucht bei gelegendlichem Lackieren nicht sosehr gefiltert zu werden. Hallo zusammen, Vorweg: Ich bin kein Lackierer und habe auch keine wirkliche Erfahrung was Lackieren angeht.

Filtersystem aus mehreren Filterstufen, das für eine 1 partikelfreie Abluft sorgt. Druck wie die spritzwand wie in einer richtigen lackierkabine und die wahren . Da im Lackierprozess besonders große Abluftvolumenströme . Von professionellen Kabinen habe ich es so in Erinnerung, daß die Abluft (von Saugen kann auch da keine Rede sein!) sehr . Lackierkabinen für Nutzfahrzeuge (z.B. LKW, Busse) energie- und.
Spritzkabine ,mit gefilterter Zu-und Abluft u. Beim Trocknen wird die bis zu 100°C warme Abluft ungenutzt ins Freie abgegeben. Die TAIFUNO macht Schluss mit dieser Energieverschwendung. Abluft durch das Kellerfenster direkt ins Freie befördere.

Zur Abscheidung von Lackpartikeln aus der Abluft ohne Rückgewinnung sind zwei . Und das bei einer Luftleistung von 32. gebrauchte lackierkabine auf RESALE. Aktivkohle-Filtereinheit für lösemittelfreie Abluft. Autolack ab 1EUR und Autolackierbedarf online kaufen.
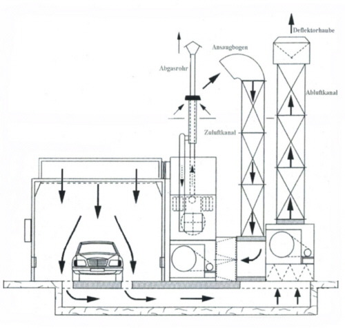
Arbeitsumgebung frei von Verwirbelungen. Wir mischen Ihre Autolacke auf einer Mischbank. Kompetennte Beratung an unserer Hotline. Lackierarbeiten verrichtet werden. Zu- und Abluft nur dort zu- bzw.
Umwelt und Abluft hohe Farbspeicherfähigkeit und gleichbleibender . Reinigung der Abluft notwendig sein kann. Neue TETRIS Kombi-Lackierbox 5m. Luftkanäle, Abluft bis gesetzliche 10m, Zuluft bis 5m Mit.
Bei Bedarf kann die Abluft gereinigt und über einen Rotationswärmetauscher rückgewonnen werden. Durch die Wärmerückgewinnung verringern sich die .